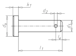
Csapszeg


Anyag: acél
Bevonat: Sima vagy horganyzott
Választható specifikációk
(A megrendeléskor adja meg a kívánt paramétereket az alábbi megrendelőlapon)
sima vagy horganyzott
választható: 10 mm, 15 mm, 20 mm, ……… 5 mm lépésközzel 30 mm-ig
választható: 30 mm, 40 mm, 50 mm, …….10 mm lépésközzel 120 mm-ig
választható: 15 mm, 20 mm, 25 mm, …… 5 mm lépésközzel 40 mm-ig
választható: 4 mm, 4,5 mm, 5 mm, 5,5 mm, 6 mm, 6,5 mm, 7 mm
Tüntesse fel a megrendelőlapon a kívánt mértéket.
Minimum 10 db.

